Inductieve ringsensoren
Statisch of dynamisch
DIETZ
Werkingsprincipe statisch of dynamisch
Hoge resolutie / korte responstijd
Ongevoelig voor vuil
Pulsverlenging instelbaar
Automatische aanpassing aan omgevingsomstandigheden (IRD-versies)
Metalen aansluitstekker
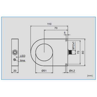
Technische data @ +20°C, 24 VDC
Ring diameter | 51 mm |
Werkingsprincipe | statisch of dynamisch |
Detecteerbare object grootte (stalen kogel) |
|
Voeding | 10-35 VDC |
Uitgangsstroom | 200 mA |
Bescherming tegen kortsluiting, tegen omgekeerde polariteit | ja |
Intern stroom verbruik | < 10 mA |
Isolatie diëlektrische sterkte | 500 V |
Spanningsval | < 2.5 V |
Schakelfrequentie | afhankelijk van de pulsverlenging |
Impulsverlenging | 10...150 ms instelbaar |
Objectsnelheid |
|
Omgevingstemperatuur | -25...+70°C |
Montageafstand tot metaal | min 30 mm |
Beschermingsklasse | IP67 |
Behuizingsmateriaal | Polyamide, ring PETP |
Aansluiting | M12 stekker |
Type
PNP sluiter / statische functie | IR 50 PSK -ST4 |
PNP sluiter / dynamische functie | IRD 50 PSK-ST4 |
(optie NPN-uitgang opener) | |
Passende aansluitkabel | M12...(3 draads) |






